Пенобетон как строительный материал имеет сравнительно недавнюю историю. Впервые он был запатентован в Германии в 1890 г., затем — в Норвегии и Дании. Крупномасштабное промышленное производство пенобетона под маркой “YTONG” было налажено в 1923 г. в Швеции, где в настоящее время его потребление составляет более 40 млн. м3 в год. Ведущими производителями пенобетона в Европе являются Польша (45 % европейской продукции), Германия (35 %) и Чехия (11 %). Изделия из пенобетона используются в гражданском (преимущественно жилищном) и в промышленном строительстве практически на всех континентах, независимо от климатических условий и зон сейсмичности. Из пенобетона можно возводить дома высотой до четырёх этажей (рис. 1). В домах с повышенной этажностью необходимо устройство несущего железобетонного либо металлического каркаса. Основными элементами заводского изготовления являются стеновые блоки, перемычки, стеновые панели, плиты покрытий и перекрытий (рис. 2). Подробную информацию о номенклатуре изделий из неармированного и армированного пенобетона можно найти на сайтах www.betonkomurkowy.com.pl, www.stow-bet.com.pl и www.xella.pl.

Рис. 1. Индивидуальные жилые дома из пенобетона
а.

б. в.

г. д.
Рис. 2. Номенклатура изделий из пенобетона: а) стеновые блоки, б) элементы перемычек, в) вентиляционные короба, г) блоки с отеплением пенополистиролом либо минераловатными плитами, д) пустотные плиты перекрытий.
Пенобетон изготавливается из весьма доступного и распространённого в природе сырья (кварцевого песка, извести, воды) с добавлением относительно дешёвых пенообразователей. Наиболее существенной характеристикой пенобетона, определяющей его основные технические свойства, является объёмная масса (табл. 1). 1 м3 пенобетона содержит около 5 м3 воздуха, что предопределяет его высокие теплотехнические свойства. Несмотря на пористую структуру, пенобетон является весьма морозостойким материалом.
|
1 |
Класс бетона |
300 |
400 |
500 |
600 |
700 |
|
|
Объёмная масса в сухом состоянии (кг/м3) |
300–350 |
351–450 |
451–550 |
551–650 |
651–750 |
||
|
2 |
Марка |
1,5; 2,0; 2,5; 3,0 |
2,0; 2,5; 3,0; 3,5 |
2,5; 3,0; 3,5; 4,0 |
4,0; 5,0; 6,0 |
5,0; 6,0; 7,0 |
|
|
Прочность на сжатие в сухом состоянии (МПа) |
1,5; 2,0; 2,5; 3,0 |
2,0; 2,5; 3,0; 3,5 |
2,5; 3,0; 3,5; 4,0 |
4,0; 5,0; 6,0 |
5,0; 6,0; 7,0 |
||
|
3 |
Коэффициент теплопроводности λ (Вт/м•K) |
0,100 |
0,120 |
0,140 |
0,160 |
0,185 |
|
|
0,110 |
0,130 |
0,150 |
0,170 |
0,200 |
|||
|
4 |
Морозостойкость (%) |
Максимальная потеря массы |
15 |
15 |
10; 4,5 |
4 |
3 |
|
Максимальное снижение прочности |
– |
– |
– |
15 |
10 |
||
Таблица 1. Основные свойства пенобетона
Его разрушение при низких температурах наступает при увлажнении более 30 %, что случается при неправильном складировании на открытом воздухе либо постоянном увлажнении во время эксплуатации. Пенобетон является несгораемым материалом (еврокласс А1), который по огнестойкости не уступает кладке из глиняного кирпича. Во время его нагревания до температуры 100 °C происходит испарение абсорбционной влаги. При дальнейшем повышении температуры испаряется структурно связанная влага, что приводит к усадке и трещинообразованию. Непосредственное длительное воздействие огня вызывает спекание и охрупчивание поверхностных слоёв стен. При этом, согласно данным табл. 2, сохраняется их несущая способность R, плотность Е и дымоизоляция I.
В соответствие с нормами EN-ISO 717-1 звукоизоляция стен оценивается показателями RAR, учитывающими звуковые и ударные источники шума. Их числовые
величины возрастают пропорционально логарифму массы 1 м2 стены (табл. 3). В связи с низким объёмным весом стены из пенобетона обладают худшей звукоизоляцией по сравнению со стенами из глиняного или силикатного кирпича. Пенобетон наряду с высокой паропроницаемостью обладает большой тепловой инерцией. Процесс теплопередачи с одной поверхности стены противоположной происходит в 4 раза медленнее, чем в стенах из других каменных материалов (8–11 ч — в зависимости от толщины стены и объёмной массы пенобетона). Благодаря этим качествам в помещении независимо от погодных условий сохраняется комфортный температурно-влажностный режим. К важным эксплуатационным показателям следует также отнести низкую радиоактивность пенобетона, сравнимую с такими экологическими материалами, как дерево или глиняный кирпич.
|
Толщина стены (см) |
Класс огнестойкости в зависимости от уровня нагрузки |
|||
|
0 |
0,2 |
0,6 |
1,0 |
|
|
12 |
EI 120 |
– |
– |
– |
|
18 |
EI 240 |
REI 240 |
REI 240 |
REI 120 |
|
24 |
EI 240 |
REI 240 |
REI 240 |
REI 240 |
|
30 |
EI 240 |
REI 240 |
REI 240 |
REI 240 |
|
36 |
EI 240 |
REI 240 |
REI 240 |
REI 240 |
Таблица 2. Огнестойкость стен из пенобетона
|
Значения показателей RA1R и RA2R (дБ) в зависимости от толщины стены (мм) |
||||||||||
|
Класс пенобетона |
RA1R (внутренние стены) |
RA2R (наружные стены) |
||||||||
|
120 |
180 |
240 |
300 |
360 |
120 |
180 |
240 |
300 |
360 |
|
|
300 |
– |
35 |
38 |
41 |
43 |
– |
34 |
35 |
37 |
39 |
|
400 |
34 |
38 |
41 |
44 |
46 |
33 |
35 |
38 |
40 |
42 |
|
500 |
36 |
41 |
44 |
46 |
48 |
34 |
37 |
40 |
43 |
45 |
|
600 |
38 |
43 |
46 |
48 |
50 |
35 |
39 |
42 |
45 |
47 |
|
700 |
40 |
44 |
48 |
50 |
51 |
36 |
41 |
44 |
46 |
48 |
Таблица 3. Звукоизоляционные характеристики стен из пенобетона
Кладка стен из пенобетонных блоков осуществляется на лёгких теплоизоляционных растворах или специальных клеях. Толщина горизонтальных швов составляет 1–3 мм. Вертикальные швы — пустотные лабиринтного типа. Благодаря этому снижается расход раствора, увеличивается производительность труда и устраняются мостики холода, характерные для кирпичных кладок на тяжёлых растворах.
Наименее трудоёмкими в возведении являются однослойные стены из пенобетонных блоков (рис. 3а). Их толщина должна быть не менее 240 мм, а штукатурные слои выполняются из минеральных гидрофобизированных растворов, обладающих высокой паропроницаемостью. Применение плотных паронепроницаемых штукатурок способствует накоплению влаги в стенах и, как следствие, их преждевременному разрушению, а также появлению грибков и плесени. Следует отметить, что штукатурные слои должны наноситься после затухания усадки стен, которая длится 0,5–1 года. Это увеличивает срок сдачи объекта в эксплуатацию и может привести к переувлажнению стен от атмосферных осадков.

Рис. 3. Вертикальные сечения однослойных (а) и щелевых (б) стен. 1 — пенобетонные блоки, 2 — внутренняя штукатурка, 3 — наружная штукатурка, 4 — лицевой слой из силикатного или глиняного кирпича, 5 — соединительные анкеры, 6 — вентилируемая воздушная прослойка
В регионах с интенсивными осадками и влажным климатом наружные стены рекомендуется выполнять щелевыми, состоящими из внутреннего несущего слоя из пенобетонных блоков, воздушной прослойки толщиной 40–150 мм и лицевого защитного слоя толщиной 120 мм в виде кладки из силикатного или глиняного кирпича.
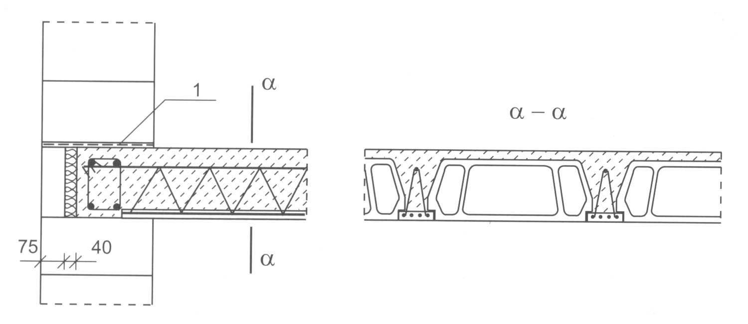
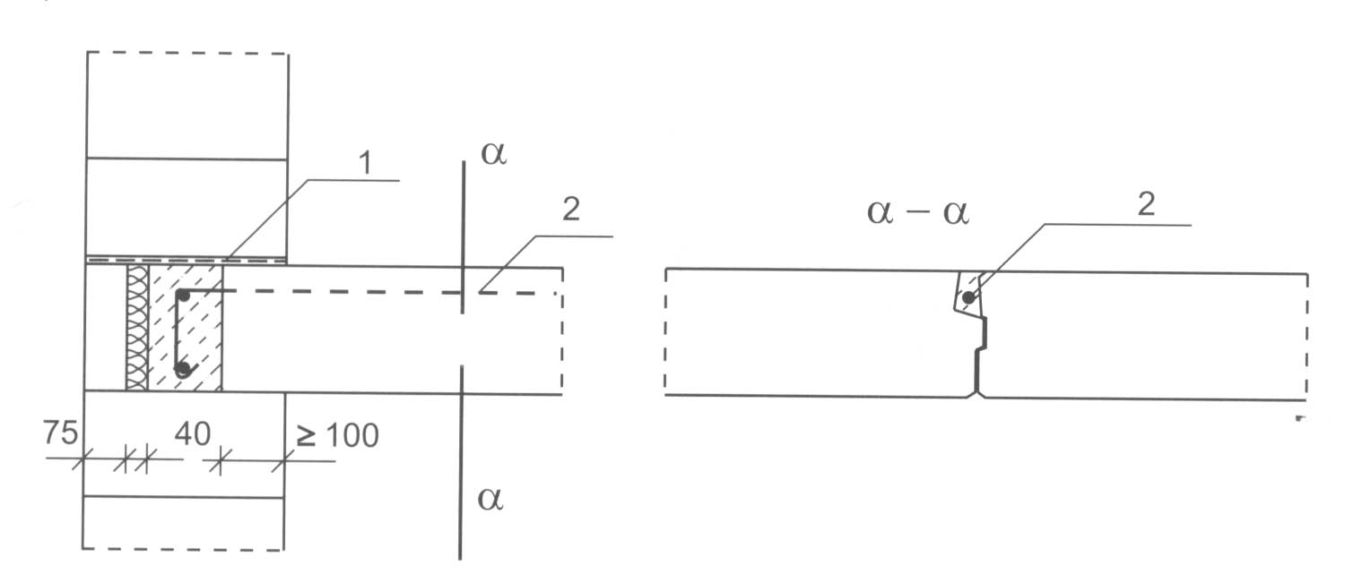
На рис. 4а показаны конструктивные схемы сопряжения наружных стен с железобетонными перекрытиями типа “ТЕRIVA” или “FERT”. Последние представляют собой систему рёбер заводского изготовления, на которые монтируются пустотелые керамические элементы, а пространство между ними и рёбрами заполняется монолитным бетоном. Более прогрессивным является перекрытие в виде сборных плит из армированного пенобетона (рис. 4б). Существенным элементом сопряжения перекрытий и стен в обоих случаях является монолитный железобетонный пояс жёсткости. Он делается непрерывным на уровне перекрытий по всему периметру несущих стен. Его теплоизоляционные свойства отличаются от пенобетона, в связи с чем пояс как мостик холода защищается с наружной стороны стены вкладышами из пенополистирола или минераловатных плит с облицовкой пенобетонными плитами. Устройство пояса удорожает строительство, но является целесообразным мероприятием из следующих соображений: повышение пространственной жёсткости здания; восприятие усилий, возникающих в результате неравномерных осадок основания; перераспределение усилий, вызванных неравномерной нагрузкой на стены; восприятие растягивающих усилий, вызванных температурными деформациями; обеспечение целостности здания в случае локальных разрушений, например вызванных взрывом газа.
а.
б.
Рис. 4. Узлы сопряжения стен с ребристыми (а) и панельными (б) перекрытиями. 1 — железобетонные пояса жёсткости, 2 — анкерный стержень
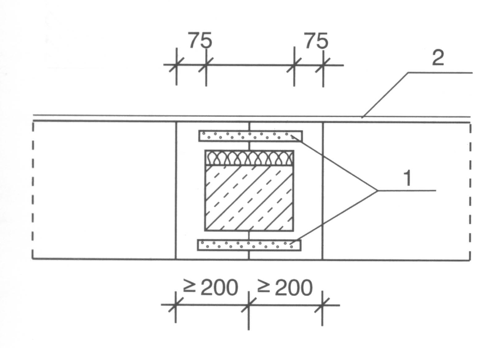
Надоконные и дверные перемычки выполняются из сборных элементов заводского изготовления либо непосредственно при возведении стен путём заполнения бетоном корытообразных элементов из пенобетона, в которых уложен арматурный каркас (рис. 5а). Простенки при малых размерах их поперечных сечений усиливаются монолитными железобетонными столбами. Последние выполняются в несъёмной опалубке, представляющей собой вертикальный короб, образованный из корытообразных пенобетонных элементов (рис. 5б).
а.
б.
Рис. 5. Железобетонные перемычки (а) и простенки (б), изготавливаемые из монолитного железобетона в опалубке из корытообразных пенобетонных элементов. 1 — металлические соединительные пластины, 2 — штукатурный слой
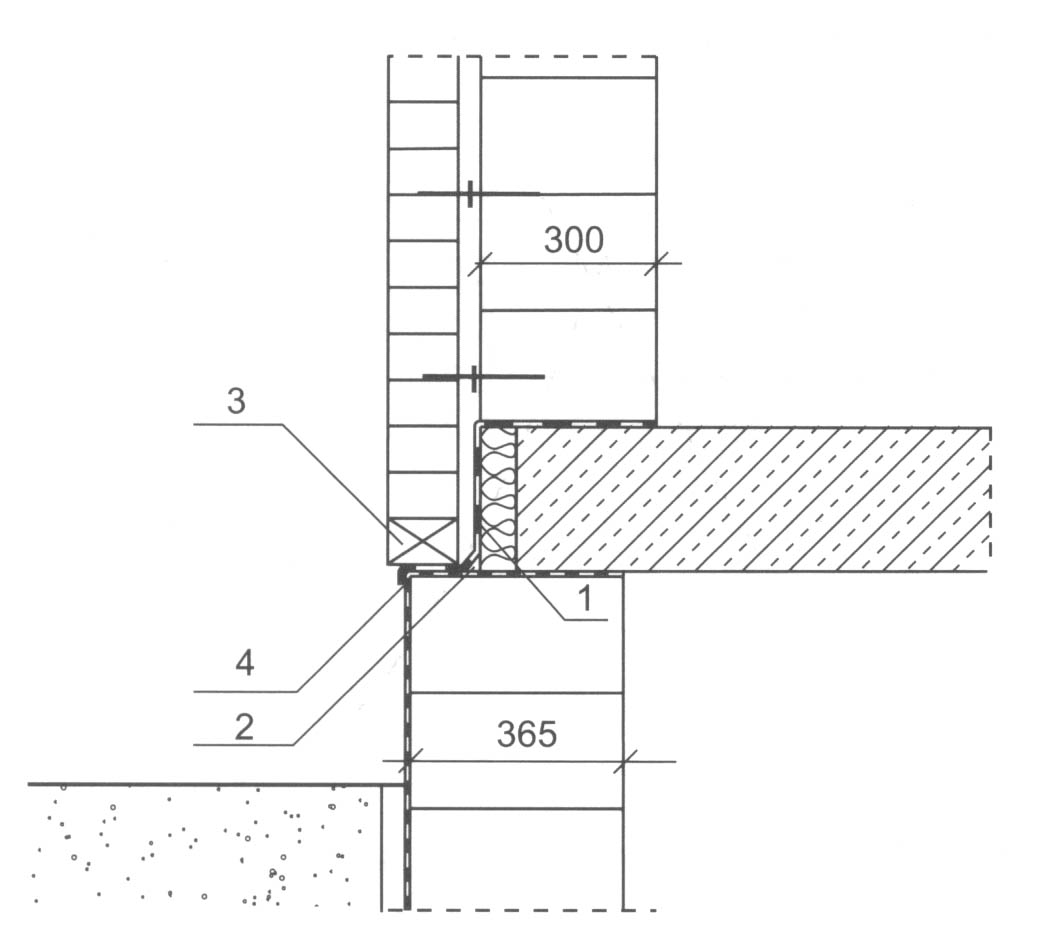
Весьма важным является вопрос возведения из пенобетона стен подвальных помещений. Технические нормы ряда стран допускают возведение наружных и внутренних стен подвалов из пенобетона при условии их гидроизоляции и при уровне грунтовых вод ниже подошвы фундаментов. Однако даже при самой надёжной гидроизоляции стен нельзя исключить возможность их увлажнения за весь период эксплуатации. В связи с этим стены подвалов и цокольные части наружных стен обычно возводятся из водостойких материалов, например из клинкерного кирпича (рис. 6).
а.
б.
Рис. 6. Сопряжение стены из пенобетонных блоков с подвальной стеной из водостойкого кирпича (а) и пенобетонных блоков (б)
В малоэтажных жилых домах крыши, как правило, проектируются скатными. При этом, с целью рационального использования объёмного пространства здания, чердаки должны исполнять функции жилых помещений. В этом случае в качестве ограждающих конструкций покрытий весьма эффективными являются армированные пенобетонные плиты. Последние могут исполнять роль сплошных несущих стропильных систем либо укладываться вдоль ската крыши с опорой на кирпичные поперечные стены — перегородки (рис. 7). Для уменьшения “мёртвого” пространства в карнизной части чердака наружные стены возводят на 1,6–2,0 м выше отметки пола перекрытия. Восприятие распора, передаваемого от стропильных конструкций на свободно стоящие наружные стены, осуществляется с помощью монолитного железобетонного каркаса, который состоит из горизонтальных поясов и вертикальных стоек (рис. 8).

Рис. 7. Поперечный разрез жилого чердачного помещения. 1 — стена, 2 и 3 — армированные пенобетонные плиты перекрытия и покрытия, 4 и 5 — монолитные железобетонные пояса жёсткости, 6 — анкерное соединение наружной и внутренней стен, 7 — карниз, 8 — защитная гидроизоляция, 9 — прогоны, 10 — деревянные стропила, 11 — чердачное окно
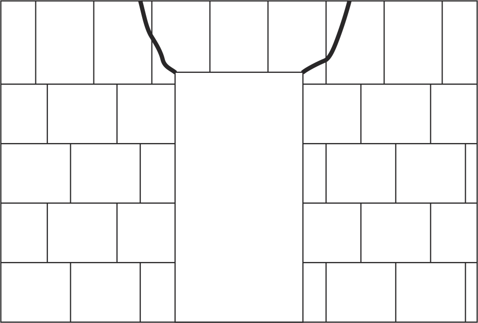
Следует иметь в виду, что длительно протекающие деформационные процессы усадки в кладке из пенобетона могут вызывать её растрескивание. Особенно это касается зданий, эксплуатация которых начата при недостаточно просушенных стенах. В этом случае трещинообразованию наиболее подвержены участки стен в местах оконных и дверных проёмов (рис. 9а).

Рис. 8. Конструктивная схема фрагмента стены в карнизной части жилого чердачного помещения. 1 — пенобетонные блоки, 2 — перекрытие, 3 — железобетонный пояс жёсткости, 4 — облицовка из пенобетонных плит, 5 и 6 — железобетонный усилительный каркас, 7 — мауэрлат, 8 — анкеры, 9 — теплоизоляция, 10 — деревянные стропила
Трещины в пенобетонных перегородках могут также возникнуть вследствие чрезмерных прогибов поддерживающих их перекрытий, вызванных, например, деформациями ползучести. Во избежание появления трещин используют сетчатое армирование участков, где ожидается концентрация усадочных деформаций (рис. 9б).
а.
б.
Рис. 9. Деформационные трещины в углах дверных и оконных проёмов (а) и их предупреждение путём усиления (б) армирующими сетками из стекловолокон
В табл. 4 приведены стоимостные показатели возведения 1 м2 наружных стен, выполненных из различных каменных материалов и обладающих одинаковыми теплотехническими свойствами. В данных таблицы учтены стоимость материалов, трудозатраты, эксплуатация оборудования и накладные расходы. Как видно, разница в стоимости может достигать 90 % в пользу пенобетона.
|
Описание конструкции стены |
Стоимость в €/м2 |
|
Однослойная толщиной 37 см из пенобетонных блоков класса 400 на тонких растворных швах |
29 |
|
Двухслойная из силикатных блоков “SILKA M24” и утепляющим наружным слоем толщиной 15 см из пенополистирола |
42 |
|
Однослойная толщиной 44 см из керамических щелевых блоков “POROTHERM” |
43 |
|
Трёхслойная из щелевых блоков “MAX 29”, минераловатных плит толщиной 10 см и облицовки толщиной 12 см из глиняного кирпича |
44 |
|
Трёхслойная из щелевых глиняных кирпичей К2 толщиной 12 см, пенополистирола толщиной 12 см и несущего слоя толщиной 25 см из полнотелого глиняного кирпича |
46 |
|
Трёхслойная из щелевых керамических блоков “MAX 29”, пенополистирола толщиной 10 см и облицовки толщиной 12 см из щелевого глиняного кирпича |
47 |
|
Трёхслойная из полнотелого кирпича толщиной 25 см, минераловатных плит 12 см и лицевого слоя толщиной 12 см из глиняного дырчатого кирпича |
52 |
Таблица 4. Сравнение стоимости наружных стен из различных материалов
Оценивая экономические показатели здания из пенобетона, следует также учитывать снижение нагрузок на фундаменты, что имеет особо большое значение при строительстве на слабых либо осадочных грунтах. Наличие тонких растворных швов и ровные плоские поверхности стен предопределяют снижение расходов на отделочные работы. Например, вместо внутренней штукатурки толщиной 10–15 мм, характерной для обычной кирпичной кладки, на стены из пенобетонных блоков достаточно нанести шпаклёвочный слой толщиной около 5 мм.
Немаловажное значение для стоимости имеют эксплуатационные показатели: снижение расходов на обогрев здания, поддержание в нём комфортного микроклимата, возможность гибкой перепланировки путём разборки и возведения новых лёгких пенобетонных перегородок. Как свидетельствует европейский опыт, использование пенобетона позволяет быстрее всего решать проблемы жилищного строительства, особенно в условиях дефицита финансовых и энергетических ресурсов.
Именно вышеуказанные факторы способствуют тому, что в массовом малоэтажном жилищном строительстве всё более используются материалы из пенобетона.
Р. Б. Орлович, д. т. н.
Л. Малышко, д. т. н.
Т. Каня, технический советник Германско-Польского концерна “ORTH-GIPSE”
